ENVÍO ARTÍCULOS SUSCRIPCIÓN

  • googleplus
  • facebook
  • twitter
  • linkedin
  • linkedin

REVISTA DE INGENIERIA DYNA REVISTA DE INGENIERIA DYNA

  • Saltar al menú
  • Saltar al contenido
  • Publicaciones DYNA
    • DYNA
    • DYNA Energía y Sostenibilidad
    • DYNA Management
    • DYNA New Technologies
  • Revista
    • La Revista y sus Órganos
      • Consejo de Redacción
      • Consejo Asesor o Científico
    • Historia
    • Misión-Visión-Valores
    • Resultado de encuestas anuales
    • Preguntas frecuentes (FAQs)
    • Difusión e Indexación
    • Se dice de DYNA...
    • Colaborar con DYNA
    • Enlaces de interés en Ingeniería
      • Entidades amigas
      • Entidades colaboradoras
      • Asociaciones y Colegios
      • Otras revistas de ingeniería
      • Otros enlaces de interés
  • Autores y Evaluadores
    • Directrices, normas e impresos
    • Difusión e Indexación
    • Cómo colaborar con DYNA
  • Artículos
    • Búsqueda
    • Volúmenes y ejemplares
    • Cuadernos DYNA monográficos
    • Los más descargados último año
    • Envío de artículos
    • Contenido próximo ejemplar
    • Trabajos monográficos
  • Noticias
    • Noticias de ingeniería
    • e-Boletines
    • Reseña de libros
    • Reseñas de Software
  • Blogs y Comunidad
    • Foros
    • Cómo colaborar
  • Suscribirse
    • Darse de alta en la web
    • Tipos de suscripciones
      • Suscripción personal
      • Suscripción institucional
  • Anunciarse
    • Público y formatos publicitarios
    • Tarifas publicidad
    • Contenido de próximo ejemplar
    • e-Boletines
  • Contacto
    • Como contactar
  • Buscar
    • En esta revista
    • En todas las revistas DYNA
  • Alta en Web
    • Aviso legal
    • Politica de privacidad

Volver al Menú

  • Homepage
  • Noticias
  • Noticias de ingeniería

Noticias de ingeniería

26
abr
2019

ECONOMÍA CIRCULAR DE ESPUMAS DE POLIURETANO VÍA RECICLADO QUÍMICO

Noticias

Vote:

Resultados: 

0 puntos

 0  Votos

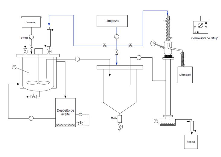
Por María Márquez (AIMPLAS). El proyecto Foam2foam tiene como objetivo implantar el concepto de economía circular en el ciclo de vida del poliuretano (PU) y avanzar hacia una economía de vertido cero, mediante el proceso viable de reciclado químico, el cual permite la obtención de nuevos productos de calidad (polioles verdes) que pueden ser utilizados para la fabricación de nuevas piezas de base de PU.

Actualmente, el tratamiento que reciben los residuos de PU es el reciclado mecánico, el cual consiste en la reducción de su tamaño a granza o polvo, para posteriormente ser introducido como carga o aditivo en otros productos. Sin embargo, las ratios de reciclado actuales son muy bajas, del orden del 10%, siendo el resto enviado a vertedero.

Desde hace más de una década, el desarrollo de nuevas tecnologías para el reciclado de residuos de PU ha estado en continuo avance, convirtiéndose en los últimos años en algo más urgente y prioritario, debido a circunstancias como el cierre de vertederos, el elevado precio de la materia prima, así como normas legislativas cada vez más estrictas y una mayor concienciación social para el desarrollo sostenible y la economía circular. En el presente proyecto, se pretende evaluar la viabilidad del reciclado químico. Entre todos los procesos de reciclado químico disponibles se ha optado en este caso por la solvólisis, que es la despolimerización química por rupturas de las cadenas poliméricas mediante agentes químico, un disolvente y generalmente en presencia de un catalizador, en unas condiciones de reacción controladas y determinadas. Este proceso se aplica únicamente a polímeros de condensaciones, cuyas vías de tratamiento varían dependiendo del agente utilizado. En este proyecto, se empleará el glicol como agente químico en la polimerización de PUs, recibiendo el nombre de glicólisis catalítica el proceso de despolimerización por esta vía.

Para ver el informe completo hacer clic AQUI

Clasificación

Fuente:
Agencia
Temática:
REVISTA DYNA

Compártenos:  

  • Twittear
  • facebook
  • google+
  • linkedin
  • delicious
  • yahoo
  • myspace
  • meneame
  


ECONOMÍA CIRCULAR DE ESPUMAS DE POLIURETANO VÍA RECICLADO QUÍMICO

Canal Noticias

Búsqueda

  •  
  • Twitter
  • Twitter
  •  
  • Facebook
  • Facebook
  •  
Tweets por el @revistadyna.
Loading…

Anunciarse en DYNA 

© Revista de Ingeniería Dyna 2025 - UK Zhende Publishing Limited 

Dirección: Unit 7 Wilsons Business Park, Manchester M40 8WN United Kingdom

Email: office@revistadyna.com

  • Menu
  • Publicaciones DYNA
    • Publicaciones DYNA
    • DYNA
    • DYNA Energía y Sostenibilidad
    • DYNA Management
    • DYNA New Technologies
  • Revista
    • La Revista y sus Órganos
      • La Revista y sus Órganos
      • Consejo de Redacción
      • Consejo Asesor o Científico
    • Historia
    • Misión-Visión-Valores
    • Resultado de encuestas anuales
    • Preguntas frecuentes (FAQs)
    • Difusión e Indexación
    • Se dice de DYNA...
    • Colaborar con DYNA
    • Enlaces de interés en Ingeniería
      • Enlaces de interés en Ingeniería
      • Entidades amigas
      • Entidades colaboradoras
      • Asociaciones y Colegios
      • Otras revistas de ingeniería
      • Otros enlaces de interés
  • Autores y Evaluadores
    • Directrices, normas e impresos
    • Difusión e Indexación
    • Cómo colaborar con DYNA
  • Artículos
    • Artículos
    • Búsqueda
    • Volúmenes y ejemplares
    • Cuadernos DYNA monográficos
    • Los más descargados último año
    • Envío de artículos
    • Contenido próximo ejemplar
    • Trabajos monográficos
  • Noticias
    • Noticias de ingeniería
    • e-Boletines
    • Reseña de libros
    • Reseñas de Software
  • Blogs y Comunidad
    • Blogs y Comunidad
    • Foros
    • Cómo colaborar
  • Suscribirse
    • Darse de alta en la web
    • Tipos de suscripciones
      • Tipos de suscripciones
      • Suscripción personal
      • Suscripción institucional
  • Anunciarse
    • Público y formatos publicitarios
    • Tarifas publicidad
    • Contenido de próximo ejemplar
    • e-Boletines
  • Contacto
    • Como contactar
  • Buscar
    • En esta revista
    • En todas las revistas DYNA
  • Alta en Web
    • Aviso legal
    • Politica de privacidad

Regístrese en un paso con su email y podrá personalizar sus preferencias mediante su perfil


: *   

: *   

:

: *     

 

  

Cargando Cargando ...